自在经验网
首页
美食营养
生活百科
知识问答
生活知识
返回
自在经验网
首页
美食营养
游戏数码
手工爱好
生活知识
生活百科
健康养生
运动户外
职场理财
情感交际
母婴教育
时尚美容
知识问答
更多知识
搜索
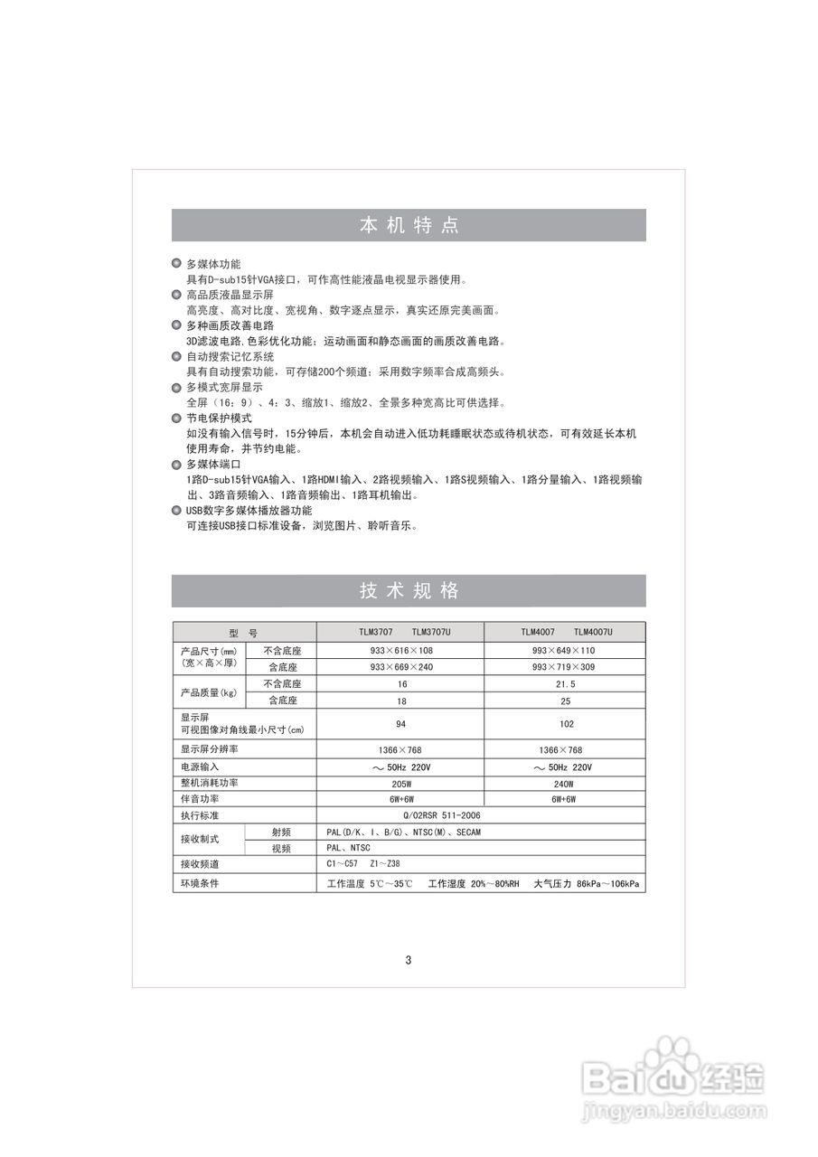
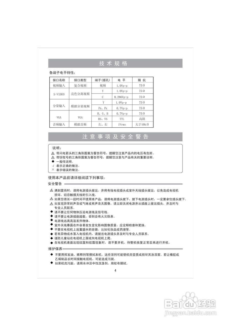
海信TLM4007U液晶彩电使用说明书:[1]
2026-02-14 08:55:39
(共篇)
下一篇:
相关推荐
怎么样才能让月季花开如簇?
阅读量:28
罗汉果根结线虫病怎么防
阅读量:20
如何选择合适可靠的装修公司?
阅读量:139
怎么保护司令
阅读量:173
三星BCD-220MMVF电冰箱使用说明书:[1]
阅读量:144
猜你喜欢
红烧鸡腿的家常做法
魈怎么读
奶油怎么做
青椒炒肉丝的做法
扒皮鱼的家常做法
八宝饭的做法和配料
猪肉萝卜饺子馅做法
洋葱拌木耳的做法
泡椒的做法
清蒸蟹的做法
猜你喜欢
芋头的做法
拉皮的做法
皮冻的做法
爆炒鱿鱼的做法
靠大虾的做法
中国黄金怎么样
肉三鲜饺子馅的做法
饼干的做法大全
干锅鸡的做法
颧怎么读